Je winkelwagen is leeg.
Leveringsinformatie
Vandaag besteld in binnen 1-3 werkdagen in huis.
Productgegevens
Beschrijving
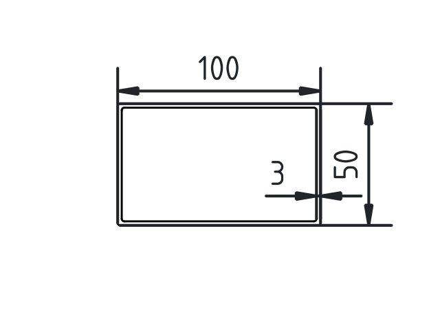
Koker zwart staal WGW 100x50x3 mm
Bij Metaalstore vindt u een breed assortiment aan kokers. Het assortiment bestaat uit staal (koudgewalst alsmede warmgewalst), RVS en aluminium. Zo ook een koker zwart staal WGW. Mocht het zijn dat wij de maat die u zoekt niet in de webshop aanbieden dan kunnen wij deze vaak wel voor u bestellen. Dit is afhankelijk van het aantal meters / lengte dat u nodig heeft. U kunt uw verzoek inzenden via info@metaalstore.nl Alle maatbewerkingen zoals zagen, slijpen en boren gebeurd in eigen beheer. Mede hierdoor staan wij (Metaalstore / HN Metaalbewerking) in voor de kwaliteit van onze producten. Doordat Metaalstore de koker zwart staal WGW 100x50x3 mm uit eigen voorraad levert kunnen wij een fatsoenlijke prijs en een snelle levering garanderen. Hebben wij een specifieke bestelling onverhoopt niet op voorraad informeren wij u spoedig over de verwachte levertermijn.
De webshop geeft aan in welke wanddikte de koker beschikbaar is
Als u een wanddikte kiest die wij niet voeren dan ontvangt u een melding van de webshop. Maak dan een keuze voor een andere wanddikte. De koker zwart staal WGW 100x50x3 mm heeft een wanddikte van 3 mm.
Materiaal informatie zwart staal warm gewalst
Warmgewalst staal is vaak donkerder van keur. Het materiaal is in de hoogoven fabriek – als het nog erg heet is – gewalst. Dit procedé geeft een vlammenpatroon dat ontstaat bij het afkoelen. WGW staal heeft een walshuid en is ruwer van oppervlak. WGW platen zijn aan de zijkanten vaak blauw gevlamd. In het midden soms redelijk donker, soms erg licht. De tekening van iedere plaat is anders. Bij strips, profielen of kokers in WGW staal is deze gevlamde tekening minder zichtbaar. Warmgewalst staal is ook minder hard dan koudgevormd staal. Daartegenover staat dat de rek (taaiheid) en vervormbaarheid beter zijn. Bij warmgewalst staal zijn er echter minder nauwe toleranties mogelijk in afmetingen en daarbij zijn er geen scherpe hoeken mogelijk. Warm gewalst staal wordt vaak op niet / minder zichtbare plaatsen toegepast. Als constructiestaal. Daarnaast zie je warmgewalst WGW staal ook terug komen in hedendaagse interieur-tuintoepassingen.
Onze service voor koker zwart staal (WGW)
De producten van Metaalstore / HN Metaalbewerking zijn van uitstekende kwaliteit en onder andere in eigen werkplaats geproduceerd. De afwerking is hoogwaardig. Metaalstore zorgt ervoor dat uw bestelling solide wordt verpakt. Uw bestelde koker zwart staal WGW wordt keurig afgeleverd op het, door u, opgegeven afleveradres.
Wij komen graag met u in contact
Contact opnemen







